+7 (912)-751-33-24Заказать звонок
Заказать звонок

Оставьте Ваше сообщение и контактные данные и наши специалисты свяжутся с Вами в ближайшее рабочее время для решения Вашего вопроса.

Ваш телефон
Ваш телефон*
Ваше имя
Ваше имя

* - Поля, обязательные для заполнения

Сообщение отправлено
Ваше сообщение успешно отправлено. В ближайшее время с Вами свяжется наш специалист
Закрыть окно
arbatex@list.ru
Каталог товаров
Подписка на новости магазина

Подпишитесь на рассылку и получайте свежие новости и акции нашего магазина.

Описание товара:

Силовой модуль МДТО4/3-80-12 применяется в выпрямительных мостах, в регуляторах переменного тока, для управления двигателем постоянного тока, электротехнической аппаратуре.
1 350 руб. / шт Цена не является конечной и требует уточнения у менеджера.
В наличииВ наличии
Загрузка
Рассчитываем стоимость доставки
Пожалуйста подождите, рассчет займет немного времени

Описание товара

Описание силового модуля МДТО4/3-80-12


К преимуществам силового модуля МДТО4/3-80-12 относят возможность компоновки в одном корпусе силовых кристаллов, систем управления и датчиков, что значительно повышает как эффективность использования пространства, так и универсальность самого узла.
У МДТО4/3-80-12 силовые и управляющие выводы изолированы от металлического основания.
Также у силового модуля МДТО4/3-80-12 тепло от элементов отводится через керамический изолятор и металлическое основание.
Применяется МДТО4/3-80-12 в выпрямительных мостах, в регуляторах переменного тока, для управления двигателем постоянного тока, электротехнической аппаратуре.

Параметры и характеристики силового модуля МДТО4/3-80-12:


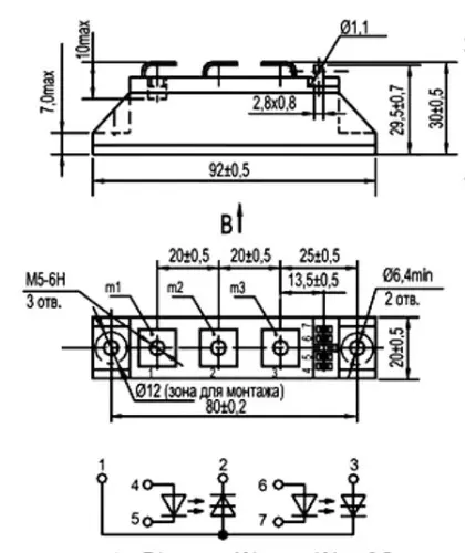
МДТО4/3-80-12
Модуль силовой полупроводниковый на основе двух бескорпусных последовательно соединенных кремниевых диффузионных диода p-n и оптотиристора p-n-p-n.
Предназначен для применения в цепях постоянного и переменного токов частотой до 500 Гц преобразователей электроэнергии.
Цепь управления имеет гальваническую развязку с основной силовой цепью. Корпус модуля изолирован от токоведущих частей.
Модуль герметизирован в пластмассовом корпусе и имеет выводы для подключения к внешней электрической цепи.
Обозначение типономинала и схемы соединения оптотиристоров приводится на корпусе.
Максимально допустимый средний ток в открытом состоянии - 80А
Повторяющееся импульсное обратное напряжение - 1200В
Длина - 92 мм
Ширина - 20 мм
Высота - 30 мм
Масса модуля - 200 г.
Добавить отзыв
Ваша оценка:
Отправить отзыв

Похожие товары (8)

1 350 руб. / шт Цена не является конечной и требует уточнения у менеджера.
В наличииВ наличии
МДТО4/3-80-12 силовой модуль
Задать вопрос

Ваше имя*
Контактный телефон*
E-mail
Вопрос*

* - Поля, обязательные для заполнения

Сообщение отправлено
Ваше сообщение успешно отправлено. В ближайшее время с Вами свяжется наш специалист
Закрыть окно
Купить в один клик
Заполните данные для заказа
Запросить стоимость товара
Заполните данные для запроса цены
Запросить цену Запросить цену